Are you looking for a hassle-free way to design a solar single line diagram? Look no further! With our Solar Single Line Diagram Template, you can easily create professional diagrams in no time.
Whether you are a seasoned solar professional or just starting out, our template is user-friendly and intuitive. You don’t need to be an expert to use it, making the process simple and stress-free.
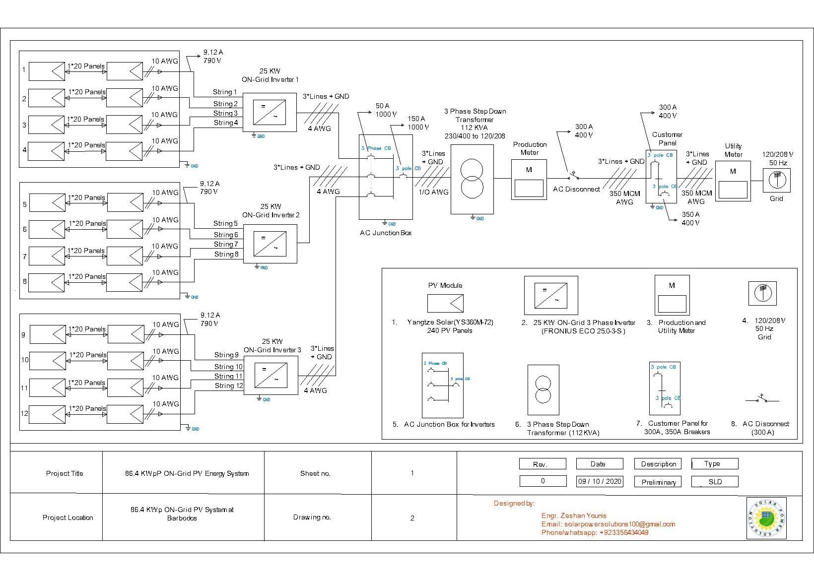
Solar Single Line Diagram Template
Create Your Solar Single Line Diagram with Ease
Our template provides all the necessary elements for a comprehensive and accurate diagram. From solar panels to inverters to electrical connections, you can customize every detail to fit your specific project requirements.
With drag-and-drop functionality and easy editing tools, you can quickly arrange and adjust components to create a clear and professional-looking diagram. No more struggling with complicated software or design tools!
Whether you are designing a residential rooftop system or a large-scale solar farm, our template is versatile and adaptable to any project size. Save time and effort by using our template as a starting point for your solar design.
Don’t waste precious time trying to create a solar single line diagram from scratch. Take advantage of our Solar Single Line Diagram Template and streamline your design process today. Start designing your solar projects with confidence and ease!
Draw Schematic And Single Line Diagram Of Solar Pv System By
Schematic diagram drawing Tools For Solar DIY Solar Power Forum
What Is A Single Line Diagram SLD Solar Plan Sets LLC



