Are you in need of an Electrical One Line Diagram Template but don’t know where to start? Look no further! Creating an electrical one-line diagram can be a daunting task, but with the right template, it can be a breeze.
Whether you’re an experienced electrician or just starting out, having a solid template to work from can save you time and effort. With the right Electrical One Line Diagram Template, you can easily map out the electrical connections in a building or system.
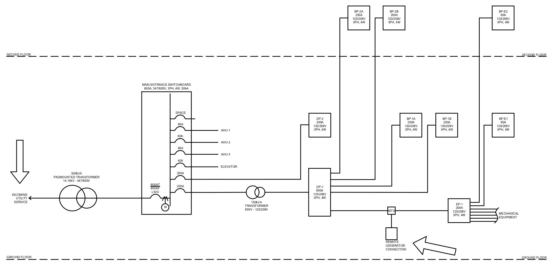
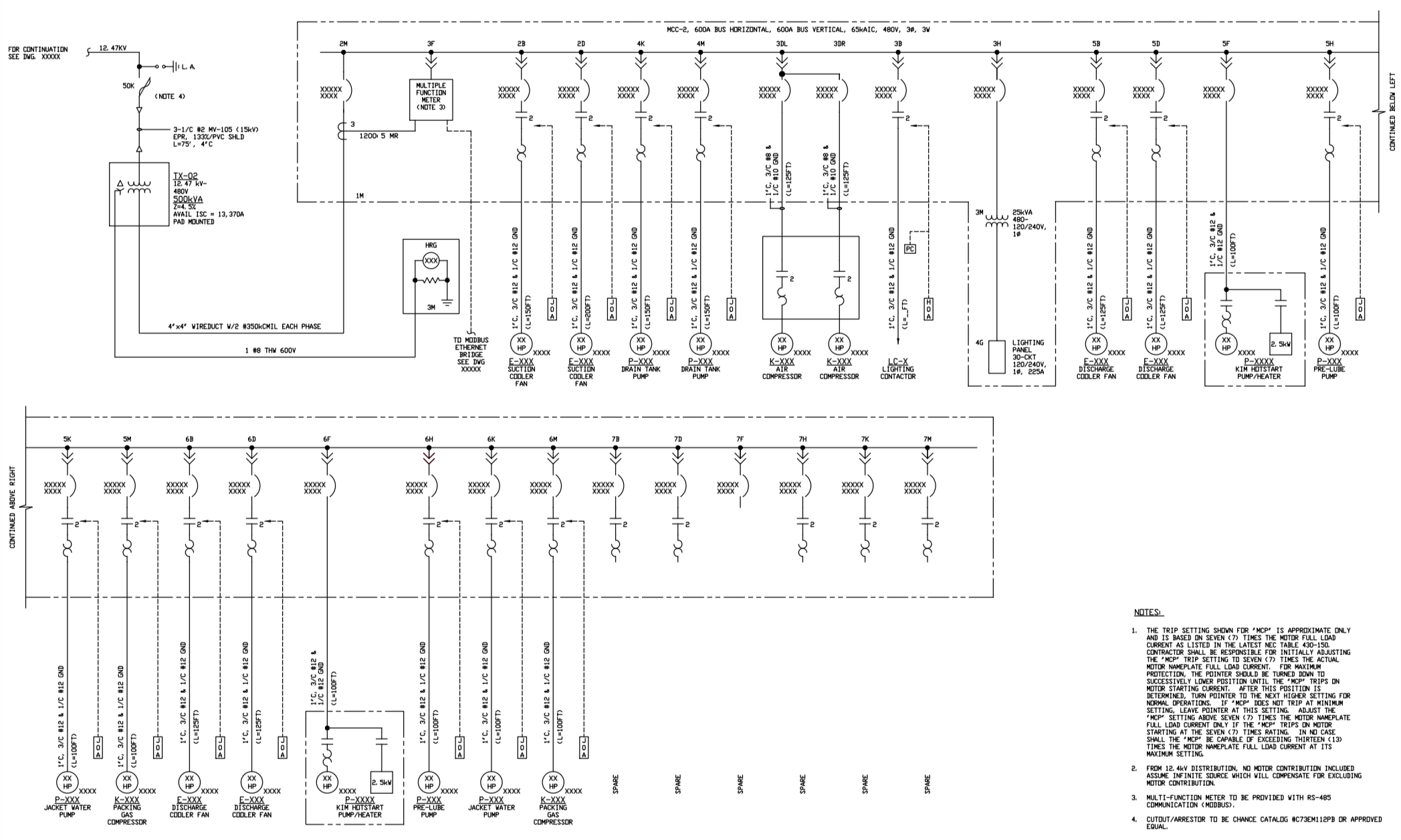
Electrical One Line Diagram Template
Creating Your Electrical One Line Diagram Template
When designing your electrical one-line diagram, it’s important to consider the layout of the system, including the distribution of power sources, loads, and components. A well-organized template will help you visualize the connections and ensure proper functionality.
By using an Electrical One Line Diagram Template, you can easily identify any potential issues or conflicts in the system before they arise. This can save you valuable time and resources in the long run, ensuring a smooth and efficient electrical design process.
Don’t let the thought of creating an electrical one-line diagram overwhelm you. With the right template, you can streamline the process and create a clear and concise diagram that meets your needs. So, why wait? Get started on your electrical design project today!
In conclusion, having a reliable Electrical One Line Diagram Template is essential for any electrical design project. By using a template, you can simplify the process, save time, and ensure a successful outcome. So, don’t hesitate to invest in a quality template and take your electrical design to the next level!
Electrical Single Line Diagrams SLD Drawing Services
Distribution Diagram AKA Single Line Diagram Electrical Guy
Design Electrical Single Line Diagram In Autocad By Omarfaruksifat Fiverr
One line Diagrams Solution ConceptDraw
Single Line Diagram Swastika Technologies U0026 Consulting





